语言选择:
搜 索
Toggle navigation
导航菜单
网站首页
公司简介
产品中心
步进电机
步进驱动器
步进行星减速机
伺服精密行星减速机
伺服电机/伺服驱动器
中空旋转平台
下载中心
帮助文档
档案下载
公司相册
员工相册
客户案例
在线留言
阿里巴巴
联系我们
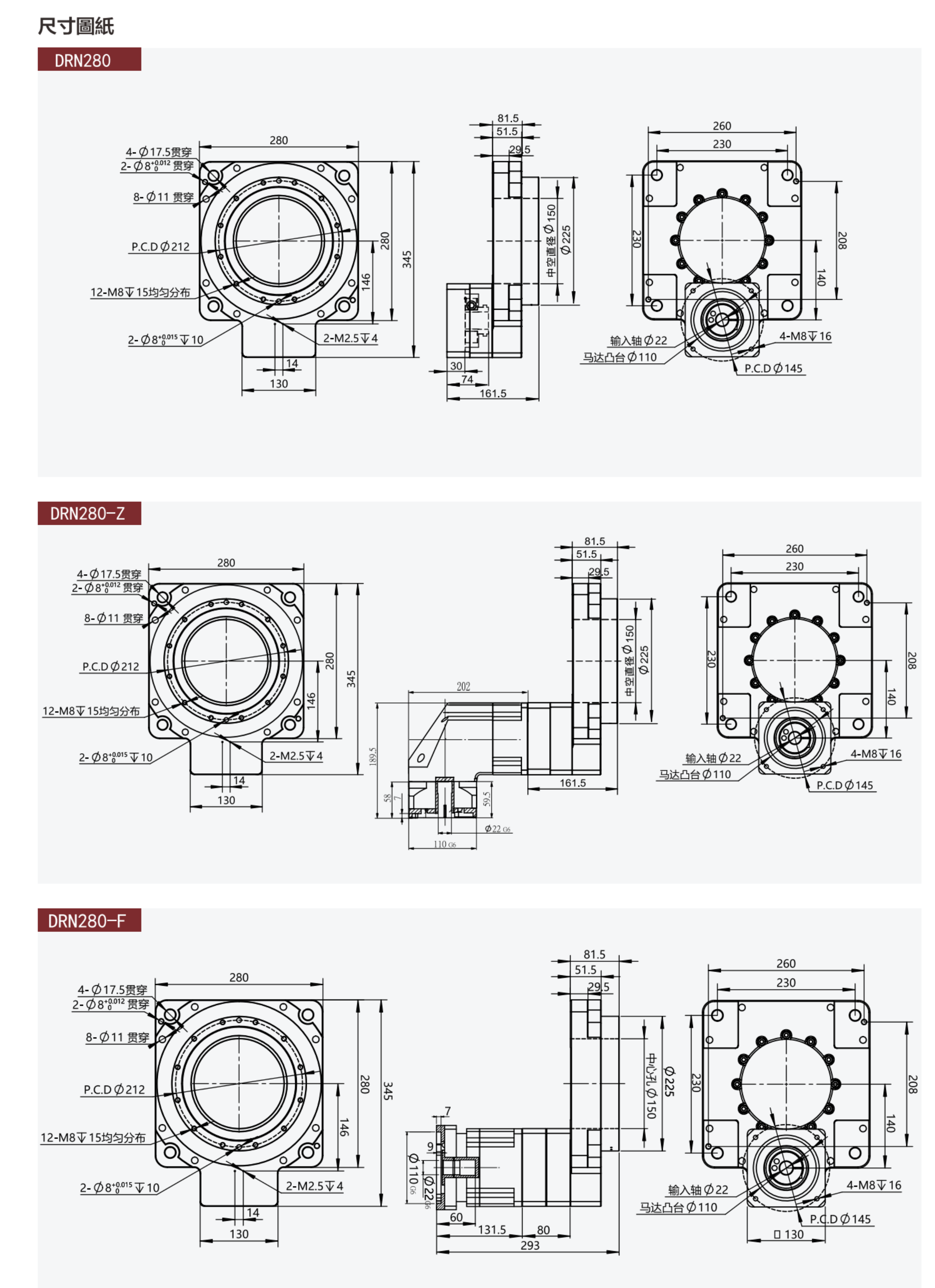
中空旋转平台
中空旋转平台
产品描述:
在线订购
上一个:
海波齿
下一个:
PLE
相关产品
导航栏目
步进电机
+
滚珠 T型 丝杠步进电机
两相开环混合式步进电机
两相闭环混合式步进电机
两相集成式步进电机
步进驱动器
+
开环驱动器
闭环驱动器
步进行星减速机
+
伺服电机/伺服驱动器
+
高压伺服电机
伺服精密行星减速机
+
斜齿精密行星减速机
直齿精密行星减速机
中空旋转平台
+
中空旋转平台
海波齿中空旋转平台
新闻中心
油价上涨激发勘探业石油钻探设备出
2013-09-28
联系我们
CONTACT US
联系人:刘小姐
手机:18933268525
电话:18933268525
邮箱:Lankecms@163.com
地址: 广东省惠州市惠城区惠州大道中8号
分享
手机
分类
顶部